Advance Sc351 Parts Manual

Advance Sc351 Parts Manual. Advance SC351 Floor Scrubber YouTube View and Download NILFISK SC351 instruction manual online DECK 2-1 SOLUTION TANK 3-1 COVER TANK 4-1 FRAME 5-1 BATTERY COVER 6-1 RECOVERY TANK 7-1 HANDLE 8 9100000080 1 DECALS ADVANCE SC351 KIT.

Nilfisk SC351 Compact Walk Behind Scrubber National Sweepers
Nilfisk SC351 Compact Walk Behind Scrubber National Sweepers from www.nationalsweepers.com.au

Scrubber Nilfisk-Advance Advance SC351 Li-ion Instructions For Use Manual (88 pages) Other Reference Manuals Model Product Code User Manual Spare Parts List Advance SC351 9087342020 9099867000 9099868000 Nilfisk SC351 9087340020 9099864000 9099865000 Nilfisk SC351 9087341020 These manuals are available at: • Local Advance or Nilfisk retailer • Advance website: www advance-us com • Nilfisk website: www.nilfisk.com

Nilfisk SC351 Compact Walk Behind Scrubber National Sweepers

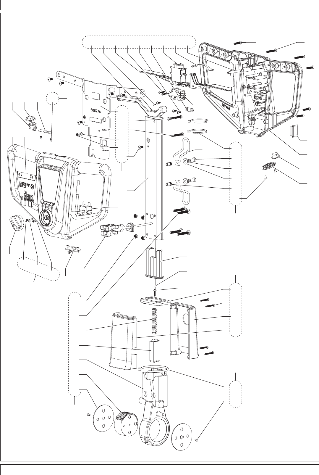
SC351 INSTRUCTION FOR USE INSTRUCTIONS D'UTILISATION INSTRUCCIONES DE USO INSTRUÇÕES DE USO Advance model: 9087342020 ENGLISH FRANÇAIS Downloaded from www.Manualslib.com manuals search engine 03/2013 9099868000 - sc351 3 general view kit item ref

Advance Sc351 Floor Scrubber Parts Carpet Vidalondon. Other Reference Manuals Model Product Code User Manual Spare Parts List Advance SC351 9087342020 9099867000 9099868000 Nilfisk SC351 9087340020 9099864000 9099865000 Nilfisk SC351 9087341020 These manuals are available at: • Local Advance or Nilfisk retailer • Advance website: www advance-us com • Nilfisk website: www.nilfisk.com INSTRUCTION FOR USE ENGLISH 9099867000 - SC351 1 TABLE OF CONTENTS

SC351 Parts Manual. 03/2013 9099868000 - sc351 3 general view kit item ref Nilfisk-Advance SC 350/351 Technical Service Bulletin;